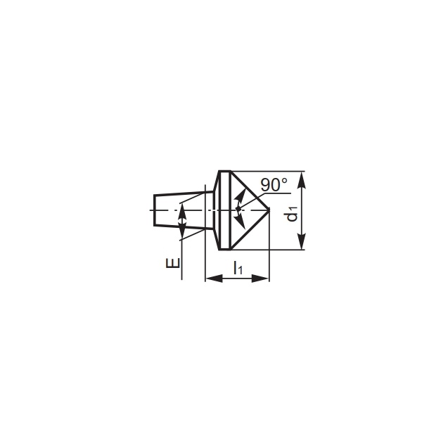
Змінна вставка з вершиною 90° для токарного обертового центру тип 8831.
ХАРАКТЕРИСТИКИ
- Зовнішний
- Кут вершини 90°
- Сумісний з тип 8831
ОСОБЛИВОСТІ
- Висока гнучкість завдяки різноманітності форм вставок
- Повністю загартовані та шліфовані поверхні
- Швидка та зручна заміна у разі зношення
ПРИЗНАЧЕННЯ
- Для додаткової фіксації деталей зі сторони задньої бабки токарного верстата









Ще немає відгуків про товар